Россия, Республика Башкортостан, Стерлитамак, Профсоюзная
Телефон:
+7 (347) 322-99- Показать номер
Пн-сб: 09:00—20:00; вс: 10:00—19:00
whatsapp telegram vk email

Регулировка свободного хода педали сцепления шевроле нива

Пошаговая регулировка сцепления нива шевроле своими руками — Сайт об отечественном автопроме

Регулировка свободного хода педали сцепления шевроле нива

Далее устанавливается новый агрегат и прокачивается система. Автотовары Реклама Дизайн и разработка сайта По истечении срока действия авторских прав, в России этот срок равен ти годам, произведение переходит в общественное достояние. Из шланга в емкость будет настройка сцепления нива шевроле жидкость с пузырьками воздуха.

Chevrolet Niva 1 поколение [рестайлинг] [ — ] Бензин. Проверка и регулировка привода выключения…

Компоненты сцепления Шевроле Нива 1 — центрирующая втулка картера сцепления; 2 — центрирующий штифт кожуха; 3 — передний подшипник первичного вала; 4 — маховик; 5 — нажимной диск корзина ; 6 — диафрагменная пружина; 7 — кожух; 8 — пружина демпфера; 9 — ступица ведомого диска сцепления Шеви Нива; 10 — пружинная пластина; 11 — накладка; 12 — картер сцепления; 13 — первичный вал коробки передач; 14 — подшипник; 15 — вилка выключения сцепления; 16 — чехол вилки Внутренние концы вилки упираются в муфту подшипника выключения сцепления и поджимаются к нему фигурной пружиной.

Предупреждение Не очищайте растворителем диск сцепления или подшипник выключения сцепления. Проверьте износ фрикционных накладок. Эпизоды, так или иначе, свидетельствуют о неправильной регулировке хода педали и выжима подшипника.

Общий свободный ход педали должен быть в пределах миллиметров. Чтобы более точно отрегулировать педаль сцепления необходимо производить работу на смотровой яме или подъемнике.

Отличие регулировки на Ниве Шевроле.

Как отрегулировать привод сцепления

Сцепление в авто Шевроле Нива усиленное. Для этого использовался утолщенный металл большего диаметра.

Для прижатия используются демпферные пружины. Гидравлический вариант сцепления позволяет компенсировать износ. Диски сцепления балансируются в собранном виде.

Обычно их называют корзиной. Процесс считается неизбежным этапом ремонта в случае: Превышение нормативного хода педали, что приводит к неполному выключению сцепления. При этом ведомый диск не полностью прилегает своей плоскостью к маховику.

Ситуация сводится к интенсивному износу накладки. Малый свободный ход становится причиной пробуксовки феррадо накладки , то есть неполному прижатию диска. При этом снижается крутящий момент и падение мощности двигателя. Появление рывка, скрипа, шума, удара в трансмиссии при резком включении сцепления, трогаясь с места.

При замене рабочего цилиндра, нужно ослабить шланг, снимаем кронштейн рабочего цилиндра, снимаем толкатель и после этого, снимаем сам рабочий цилиндр.

После установки нового, прокачиваем систему.

Также, иногда проблемы со сцепление возникают из-за неправильной настройки самой педали сцепления. Для возврата педали в исходное положение служит оттяжная пружина. Педаль шарнирно соединена с толкателем, который входит в выемку поршня главного цилиндра гидропривода сцепления.

8.2. Регулировка педали сцепления

Главный цилиндр закреплен в моторном отсеке на двух шпильках, приваренных к кронштейну педального узла. Главный цилиндр сцепления Шевроле Нива соединен стальной трубкой и армированным резиновым шлангом с рабочим цилиндром, закрепленным на картере сцепления с помощью кронштейна.

Рабочая поверхность подшипника, воздействующая на нажимную пружину, должна быть гладкой, без трещин, местной коррозии или выработки. Неисправный подшипник выключения сцепления можно определить, не снимая его с автомобиля, для чего необходимо при работающем двигателе нажать педаль сцепления.

Если при нажатии педали сцепления появляется дополнительный шум, значит, подшипник выключения сцепления неисправен, и его необходимо заменить. Нанесите смазку на поверхности контакта подшипника, цилиндра и вилки выключения сцепления.

Инструменты:

Предупреждение При установке сцепления нанесите смазку на все подвижные соединения деталей, но не используйте чрезмерное количество смазки, так как это может привести к пробуксовке сцепления. В процессе разборки станет ясно, в чем причина.

При удалении воздуха важно добавлять только чистую жидкость.

Если она случайно попала на автомобиль, то ее необходимо немедленно смыть водой, иначе она повредить покрытие; также помочь настроить сцепление может такая операция: В результате всего этого удастся снять кожух сцепления.

Детали и расходники:

Важно при этом проверить заднее уплотнительное кольцо и ни в коем случае не очищать диск растворителем. Для неопытных автовладельцев все вышеперечисленные операции могут показаться сложными, хотя они, действительно, не из легких.

Опустите другой конец шланга в емкость с небольшим количеством тормозной жидкости так, чтобы он находился в жидкости.

Нажмите на педаль сцепления 4—5 раз и удерживайте педаль сцепления нажатой Откройте клапан прокачки для выпуска воздуха из системы.

Из шланга в емкость будет выходить жидкость с пузырьками воздуха. После того как истечение жидкости из шланга прекратится, заверните штуцер, отпустите педаль сцепления. Повторите операции 4, 5 и 6 несколько раз до начала выхода жидкости из шланга без пузырьков воздуха.

Источник:

Как заменить сцепление на Ниве Шевроле своими руками

Всем автомобилистам известна роль сцепления, в автомобилях с механической коробкой передач. Также каждый автовладелец знает такие неприятные моменты, когда сцепление попросту пропадает. При попытке тронуться педаль сцепления выжимается вхолостую, что приводит массу неудобств.

В таком случае единственный вариант исправления ситуации – добраться до СТО и буквально в течение 2-3 часов забирать авто с ремонта. Хоть этот способ и можно назвать быстрым, но он как раз таки считается наиболее дорогостоящим.

Единственный выход сэкономить финансы и познать своего железного коня чуть больше – это произвести ремонт и замену сцепления в своем гараже.

Именно о том, как осуществляется замена сцепления на автомобиле Нива Шевроле, а также его ремонт и регулировка комплектующих, расскажет данный материал. Благодаря данному материалу, можно также узнать, какое сцепление лучше поставить на внедорожник Нива Шевроле.

Для начала вспомним, что же собой представляет сцепление. Итак, это устройство, посредством которого осуществляется передача крутящего момента от двигателя авто к коробке передач. То есть, с помощью сцепления осуществляется переключение передач на коробке.

Если работа сцепления не соответствует должному уровню, то – это отражается негативно и на других механических узлах (коробка передач, двигатель). Привод сцепления на Ниве Шевроле гидравлический, без наличия зазоров и имеющий автоматическую компенсацию износа фрикционных накладок.

Привод не менее важная деталь, так как за его счет осуществляется подача сигнала от водителя к рабочим элементам.

Виды неисправностей сцепления

Привод сцепления представляет собой целый механизм, поэтому причин неисправности данной детали достаточно много. Не будем рассматривать все неисправности, так как в глобальной сети уже имеется данная информация, а уделим внимание лишь основным причинам.

Итак, основные неисправности, когда привод сцепления в автомобиле Нива Шевроле буксует, то есть наблюдается неполное его включение:

  1. Слишком сильно изношенны фрикционные накладки или же произошло их пригорание. В такой ситуации решить проблему можно с помощью замены диска.
  2. Наличие масла на поверхности фрикционных накладок ведомого диска, что говорит о неисправности функционирования уплотнительных деталей. В таком случае можно обойтись промывкой дисков с обязательным удалением причины протекания масла.

Также имеются и неисправности, которые приводят к тому, что сцепление начинает вести, то есть происходит неполное его выключение. Причины данного явления следующие:

  1. Торцевое биение или коробление ведомого диска. В такой ситуации проблему может исправить ремонт, при условии, что повреждения незначительные. Но чаще всего наличие таковой неисправности говорит о необходимости проведения замены диска.
  2. Ослаблены заклепки фрикционных накладок. Потребуется замена ведомого диска комплектом.
  3. Воздух в системе. Для этого необходимо произвести прокачку системы.
  4. Перекос и коробление нажимного диска. Неисправности такого рода решаются путем замены данной детали.

Еще имеются неисправности, посредством которых потребуется замена некоторых деталей и частей. Определить неисправности можно по характерным признакам:

  • Слышатся характерные шумы при нажатии на педаль сцепления;
  • Аналогично слышатся шумы, только при отпускании педали сцепления.

Все эти неисправности свидетельствуют об одном – нужно разбирать систему сцепления и устранять поломку.

Замена сцепления

Выяснив причину неисправности, необходимо предпринять соответствующие меры по ее устранению. Рассмотрим, как же осуществляется замена сцепления на Ниве Шевроле совместно с выжимным подшипником.

Итак, ремонт или замена сцепления – это достаточно долгий процесс, поэтому прежде необходимо вооружиться терпением и выполнять все действия согласно инструкции. Замена включает в себя следующую последовательность действий:

Чтобы на Шниве сделать расход топлива меньше нужно всего лишь…

  1. Установить внедорожник Нива Шевроле на смотровую яму для удобства осуществления ремонтных работ.
  2. Запастись необходимым набором инструментов: отвертки, ключи и оправка для того, чтобы иметь возможность центровать ведомый диск.
  3. Замена сцепления требует снятия коробки передач, чтобы добраться до самого устройства.
  4. После снятия КПП нужно сделать отметки расположения кожуха и маховика. Но это необходимо только в том случае, если будет после замены использоваться старый нажимной диск.
  5. Далее с помощью ключа на “8” потребуется выкрутить все шесть крепежных болтов. Эти болты закрепляют диск сцепления к непосредственному маховику. Чтобы осуществить процедуру выкручивания, необходимо маховик удерживать в неподвижном состоянии.
  6. Теперь можно осуществить процесс демонтажа обоих дисков: ведомого и нажимного.
  7. Важно осмотреть ведомый диск. Если на нем имеются трещины, сколы, признаки износа и т.п., то такой диск необходимо заменить.

    Необходимо измерить расстояние от заклепок до поверхности накладки, если оно составляет менее 0,2 мм, то эксплуатировать этот диска нельзя.

  8. Потребуется также проверить надежность крепления пружин демпфера. Если пружины повреждены или ослаблены, то диск также подлежит замене.
  9. Проверить состояние выжимной пружины. Лепестки должны располагаться на одном уровне, а их состояние не иметь признаков сильного износа.
  10. Если все показатели соответствую норме, то допускается установить старый диск. Если же нет, тогда производится замена изношенных дисков: ведомого и выжимного. Установка всех извлеченных элементов осуществляется в порядке обратном снятию.

Как отрегулировать сцепление Нива Шевроле своими руками: видео

Регулировка свободного хода педали сцепления шевроле нива

Нанесите смазку на поверхности контакта подшипника, цилиндра и вилки выключения сцепления.

Предупреждение При установке сцепления нанесите смазку на все подвижные соединения деталей, но не используйте чрезмерное количество смазки, так как это может привести к пробуксовке сцепления. Нанесите смазку в углубление подшипника выключения сцепления. Нанесите смазку на поверхности контакта опоры вилки выключения сцепления. Мелкозернистой наждачной бумагой очистите поверхности маховика и нажимного диска и убедитесь, что весь абразивный материал и смазка удалены с очищенных поверхностей.

Регулируется ли сцепление на Шевроле-Нива

Нанесите смазку на шлицы диска сцепления и первичный вал коробки передач. Установите диск сцепления и отцентрируйте его специальной оправкой При установке диска сцепления поверхность диска, имеющая маркировку, должна располагаться со стороны нажимного диска.

Установите кожух сцепления с нажимным диском на направляющие штифты маховика. Постепенно, в диагональной последовательности и в определенном порядке, затяните болты крепления маховика. Момент затяжки: Снимите оправку, центрирующую диск сцепления. Установите коробку передач. Отрегулируйте свободный ход педали сцепления.

Включить нейтральную передачу и завести мотор. Далее нужно немного подождать, пока двигатель прогреется и выжать педаль сцепления, включив заднюю передачу. Если передача легко включилась, то это означает, что систем а работает исправно. Другое дело, если слышны скрипы — это свидетельствует о необходимости ремонта. Более простой способ проверки заключается в переключении по очереди передачи и проверке наличия посторонних звуков снизу.

Регулируется ли сцепление на шевроле нива они есть, то нужно немедленно ехать в сервисный центр. Заметить неисправность механизма можно, когда оно начинает буксовать во время набирания скорости. Это также говорит о том, что пора показать автомобиль мастерам.

Регулируем сцепление на Нива Шевроле своими руками: видео внутри

регулируется ли сцепление на шевроле нива По поводу неисправного сцепления не стоит сильно переживать, ведь можно прокачать гидропривод. Если у вас есть хотя бы малейшие знания механики и желание самостоятельно настроить работу механизма, то вам вовсе не нужно ехать в СТО. Прокачка гидропривода делается так: Повторить эту манипуляцию следует ровно 5 раз; после необходимо открыть клапан и выпустить давление. Данную операцию нужно выполнять до тех пор, пока не выльется жидкость.

Пошаговая регулировка сцепления Нива Шевроле своими руками

Если же эта процедура не помогла наладить работу, то значит, данный элемент необходимо заменять. Хотя иногда бывает, что регулировка сцепления на Ниве Шевроле помогает восстановить работоспособность этого механизма. Для этого нужно ослабить контргайку и путем вращения болта отрегулировать педали свободного хода. После этого контргайку надо затянуть. При этом центрирующий штифт должен совместиться с отверстием ступицы.

Штампованная фигурная вилка выключения сцепления имеет углубление под шаровую опору, двумя концами регулируется ли сцепление на шевроле нива в муфту выжимного подшипника. Концы вилки, периодически изнашиваясь, реставрируются путём наваривания на них подушек до толщины заводского образца.

Выжимной подшипник герметичен, не обслуживаемый, без требования промывки. Перемещается по цилиндрической части втулки. Появление шума, свиста в момент выжима свидетельствует о необходимости замены подшипника. Педальный узел соединён с главным цилиндром, расположенным в моторном отсеке. Вместе с толкателем составляет один узел с поршнем главного узла.

Главный, рабочий гидравлические механизмы сообщаются посредством стальной трубки и армированного рукава.

Рабочий цилиндр при помощи кронштейна, крепится на картере сцепления. С нажатием педали, поршень главного создаёт давление жидкости, которое заставляет толкатель и вилку перемещать муфту выжимного подшипника.

Гидропривод работает на тормозной жидкости марки ДОТ-4, запас которой содержится в бачке и имеет сообщение с главным посредством шланга. Прокачку гидравлики предусматривает штуцерразмещённый на цилиндре рабочем.

Замена главного цилиндра Новый главный цилиндр сцепления под капотом. Процедура предусматривает: Откачивание из бачка тормозной жидкости резиновой грушей.

Отворачивание трубки, снятие шланга со штуцера и отворачивание гайки крепления и съём цилиндра. Установка нового выполняется с соблюдением этапов в обратной последовательности.

Шевроле нива. проблема включения передач на горячую. решение за 30 минут!

так же ставится усиленное сцепление на шевроле ниву, оно отличается тем, что имеет больше диаметр, имеет гораздо мощный демпфер, пружины демпфера двойные, имеет большую толщину диска.

первая chevrolet niva сошла с конвейера 23 сентября года.  ранее сообщалось, что компания gm-автоваз просрочила…

потом снимается кронштейн цилиндра, затем толкатель, а после сам рабочий цилиндр.

включить нейтральную передачу и завести мотор.

предупреждение не очищайте растворителем диск сцепления или подшипник выключения сцепления. желательно снять маховик и проверить заднее уплотнительное кольцо коленчатого вала на отсутствие утечек.

регулировка сцепления ваз 2101-07 нива

при необходимости, замените уплотнительное кольцо. проверьте диафрагменную пружину в местах контакта с подшипником выключения сцепления на отсутствие износа, трещин и определите различие высоты концов диафрагменной пружины.

8.2. регулировка педали сцепления

При наличии дефектов замените кожух сцепления с нажимным диском. Различие высоты концов диафрагменной пружины: При износе ее толщина уменьшается и заклепки могут царапать диск и вызывать биение. При установке ступица должна быть направлена к корзине. При этом важно совместить отверстие ступицы и главный штифт.

Ведомый диск с наклёпанной фрикционной накладкой располагается между маховым колесом и ведущим диском фасонной чашки. Шлицевая втулка диска свободно сидит на первичном валу.

Заменяется при износе, если толщина накладки уменьшается до 0,2 мм и заклёпки начинают оставлять царапины на нажимном диске. Причиной могут стать осевое биение, ослабление заклёпок, трещины, поломки, задиры на теле фрикционного материала. Устанавливается выпирающей частью ступицы в направлении фасонной корзины. При этом центрирующий штифт должен совместиться с отверстием ступицы.

Штампованная фигурная вилка выключения сцепления имеет углубление под шаровую опору, двумя концами упирается в муфту выжимного подшипника. Концы вилки, периодически изнашиваясь, реставрируются путём наваривания на них подушек до толщины заводского образца.

Заменяется при износе, если толщина накладки уменьшается до 0,2 мм и заклёпки начинают оставлять царапины на нажимном диске. Причиной могут стать осевое биение, ослабление заклёпок, трещины, поломки, задиры на теле фрикционного материала.

Устанавливается выпирающей частью ступицы в направлении фасонной корзины. При этом центрирующий штифт должен совместиться с отверстием ступицы.

Штампованная фигурная вилка выключения сцепления имеет углубление под шаровую опору, двумя концами упирается в муфту выжимного подшипника.

Концы вилки, периодически изнашиваясь, реставрируются путём наваривания на них подушек до толщины заводского образца.

Выжимной подшипник герметичен, не обслуживаемый, без требования промывки. Перемещается по цилиндрической части втулки.

Появление шума, свиста в момент выжима свидетельствует о необходимости замены подшипника. Еще устанавливается усиленное сцепление на эту машину, у которой большой диаметр и мощный демпфер.

Проверка работоспособности сцепления

Кроме этого, данный элемент имеет большую толщину диска. Со временем на Шевроле Нива этот механизм выходит из строя, требуя либо регулировки, либо замены.

Проверить работоспособность можно такими способами: Включить нейтральную передачу и завести мотор. Далее нужно немного подождать, пока двигатель прогреется и выжать педаль сцепления, включив заднюю передачу.

Если передача легко включилась, то это означает, что систем а работает исправно.

Привод сцепления гидравлический, беззазорный, с автоматической компенсацией износа фрикционных накладок ведомого диска. Кожух сцепления соединен с маховиком шестью болтами.

В маховике установлены три штифта, которые при установке входят в соответствующие отверстия кожуха, центрируя его. Тремя парами упругих стальных пластин с заклепками кожух соединен с нажимным диском.

Нажимной диск в сборе корзина сцепления Шевроле Нива отбалансирован на стенде, поэтому заменять его следует целиком. Возможно, нужно просто прокачать гидропривод. Как делать прокачку гидропривода? При прокачке гидропривода, самое первое, что надо сделать, это надеть шланг на клапан рабочего цилиндра, другой конец опустить в емкость с тормозной жидкостью.

Регулировка сцепления Шевроле Нива

Регулировка свободного хода педали сцепления шевроле нива

С нажатием педали, поршень главного создаёт давление жидкости, которое заставляет толкатель и вилку перемещать муфту выжимного подшипника.

Chevrolet Niva (шнива). проблема со сцеплением!

Сцепление у внедорожника постоянно замкнутое с центральной диафрагменной пружиной и приводится в действия с помощью гидравлического привода. Ее необходимо проводить и тогда, когда гидропривод заполняется жидкостью.

Когда сцепление шевроле нива неисправно, нужно сделать продувку гидропривода.  Но если это ничего не дало,…

С нажатием педали, поршень главного создаёт давление жидкости, которое заставляет толкатель и вилку перемещать муфту выжимного подшипника. Диск заменяют при осевом биении в зоне накладок более 0,5 мм, при их растрескивании, задирах или неравномерном износе, а также если расстояние от поверхности накладки до заклепок менее 0,2 мм. Со временем на Шевроле Нива этот механизм выходит из строя, требуя либо регулировки, либо замены.

Кроме этого, данный элемент имеет большую толщину диска. Особенности сцепления на На Нива Шевроле Механизм сцепления на Нива Шевроле усилен утолщённым, большего диаметра диском со сдвоенными демпферными пружинами.

Проверка подшипника выключения сцепления Подшипник выключения сцепления герметичен, и его нельзя промывать.

Проверьте состояние подшипника выключения сцепления, который должен вращаться легко, равномерно и бесшумно и в нем должен отсутствовать люфт. Рабочая поверхность подшипника, воздействующая на нажимную пружину, должна быть гладкой, без трещин, местной коррозии или выработки.

Как делается прокачка гидропривода

Появление рывков при трогании. Так же возможно возникновение ударов в трансмиссии.

Появление всех этих признаков свидетельствуют о наличие проблем с регулировкой педали. Если их проигнорировать это может привести к замене сцепления и дорогостоящему ремонту. Порядок проведения регулировки Регулировка сцепления Шевроле Нива производиться при выключенном двигателе.

Так же лучше отключить аккумулятор, чтобы не произвести случайный запуск двигателя при вращении вала. Нужно включить нейтральную передачу и завести двигатель, подождать пока он прогреется до нормальной температуры и после того как двигатель начнет работать на минимальных оборотах, выжать педаль сцепления и включить заднюю передачу.

Если передача включилась легко, значит сцепление исправно, если же слышны скрипы при включении передачи, значит нужно проводить ремонт сцепления; Во время езды, также можно проверить роботу сцепления. Нужно переключать по очереди передачи и слушать, есть ли при этом посторонние шумы, если есть то нужно ехать на СТО; Так же при неисправности сцепления, оно начинает буксовать, при наборе скорости, двигатель обороты набирает, а автомобиль как ехал так и едет.

В таком случае тоже пора на СТО.

Регулировка хода педали сцепления шевроле нива

Регулировка свободного хода педали сцепления шевроле нива

Регулировку свободного хода педали тормоза на автомобиле Нива Шевроле производят в случае увеличенного хода, когда снижается общий рабочий ход педали, что приводит к ухудшению эффективности торможения, а так же в случае уменьшенного хода педали, когда может проявится подтормаживание и перегрев колодок. Для выполнения ремонтных работ подготовьте стандартный набор инструментов, небольшую измерительную линейку и проделайте следующую последовательность действий:

  • Возьмите линейку и уперев ее торец в полик, ориентируем ее плоскость таким образом, чтобы она была расположена примерно по центру нажимной площадки педали. Зафиксируйте положение педали на линейке, сделав отметку на ней.
  • Теперь перемещаем педаль в низ до момента появления усилия при нажатие и так же фиксируем данное нижнее положение на линейке.
  • По полученным меткам определяем свободный ход, который для неработающего двигателя должен составлять 3-5 мм.
  • В случае отклонения от рекомендованных значений, проводим регулировку. Регулировку проводим с помощью выключателя стоп сигнала, отвернув гайку его крепления и вращая выключатель в кронштейне, добиваясь нужного хода. После чего не забываем закрутить гайку его крепления.
  • По завершению работ, проводим повторную проверку и при необходимости повторяем операцию.

Регулировка свободного хода педали сцепления нива шевроле & Регулировка & полная информация!

Chevrolet Niva | Проверка и регулировка свободного хода педали

Chevrolet Niva | Проверка и регулировка свободного хода педали &

Это здорово: ты полон уверенности, какой-то внутренней силы и просто светишься, излучаешь энергию, и кажется, что тебе всё по плечу. И хочется поделиться всем этим.

Нива ВАЗ 21213 регулировка сцепления

Нива ВАЗ 21213 регулировка сцепления

И знаешь себе цену. И ты действуешь, живёшь.

приветствуем вас на нашем новом сайте Регулировка & более 6 тис. готовых инструкций по регулировке!Вам нужно было найти Регулировка свободного хода педали сцепления нива шевроле?

Рады видеть вас на нашем сайте где можно скачать любую регулировку или подписаться на сайт & где содержаться более 6 тис. готовых регулировок!

Вам приятно скачать сейчас регулировка свободного хода педали сцепления нива шевроле сейчас!

Желаем каждому подписчику на этот сайт с помощью нашей информации и регулировка свободного хода педали сцепления нива шевроле стать профессионалом и всегда иметь под рукой нужную Вам инструкцию по регулировке!

Но я об этом забыла. Просто забыла и всё.

Comments closed — Trackback URI RSS 2.0 feed for these comments This entry was posted on Пятница, Август 2, 2013, at 6:33 пп by dobro2020. Filed in Без рубрики.

Регулировка сцепления – обязательный этап технического обслуживания трансмиссии автомобиля и необходима в следующих случаях.

1. Если ход педали велик, то сцепление «ведет», происходит его неполное выключение, следовательно, ведомый диск будет продолжать соприкасаться с маховиком, но не всей своей плоскостью, а лишь едва касаясь, вызывая повышенный износ фрикционных накладок.

2. Если же свободный ход слишком мал, то происходит пробуксовка, неполное включение ведомого диска. Что приводит к существенной потере крутящего момента во время движения. И мощность автомобиля снижается.

3. Если происходит резкое включение ведомого диска, о чем свидетельствуют рывки и удары в трансмиссии при трогании автомобиля с места, несмотря на плавное отпускание педали.

Во всех этих случаях причина неисправности обычно кроется в неправильно отрегулированном свободном ходе педали и рычага вилки нажимного подшипника. Что это в свою очередь приводит к снижению ресурса работы ведомого диска.

Прежде чем начать регулировать привод выключения ведомого диска на автомобиле с дизельным двигателем необходимо рычаг переключения передач поставить в нейтральное положение. В противном случае, провернув коленчатый вал, двигатель может начать работать, а автомобиль двигаться. Если двигатель карбюраторный, то помимо установки рычага переключения передач в нейтральное положение, надо еще выключить зажигание. Так как при включенном зажигании может произойти вспышка в одном из цилиндров, и двигатель может завестись. А про создание интернет магазина можете почитать там.

У автомобилей, на примере ВАЗ – 21074, привод выключения ведомого диска регулируется следующим образом:

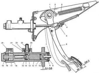
1. Устанавливается зазор 0,1-0,5 мм между толкателем и поршнем главного цилиндра. Этот зазор, необходимый для полного выключения ведомого диска, регулируется ограничителем педали. Зазор определяется свободным ходом педали, равным 0,4-2 мм;

2. Свободный ход толкателя рабочего цилиндра, равный 4-5 мм, регулируется гайкой, расположенной на толкателе, которая фиксируется контргайкой. Величина свободного хода толкателя контролируется специальным шаблоном.

После выполненной регулировки свободный ход педали, до начала выключения ведомого диска, должен составлять 25-35 мм.

Несвоевременная регулировка сцепления может привести к ремонту или даже его замене.

Сцепление шевроле нива: регулировка и замена

Автомобиль шевроле нива уже давно зарекомендовал себя, как надежная машина с хорошими внедорожными качествами. На автомобиле устанавливается механическая коробка передач, которая принимает крутящий момент двигателя через стандартное однодисковое сухое сцепление.

Сцепление у внедорожника постоянно замкнутое с центральной диафрагменной пружиной и приводится в действия с помощью гидравлического привода. Так же ставится усиленное сцепление на шевроле ниву, оно отличается тем, что имеет больше диаметр, имеет гораздо мощный демпфер, пружины демпфера двойные, имеет большую толщину диска.

Со временем, как и на всех остальных автомобилях, приходит момент, когда нужно проводить ремонт и замену сцепления.

Существует несколько способов проверки сцепл ения, а именно:

  1. Нужно включить нейтральную передачу и завести двигатель, подождать пока он прогреется до нормальной температуры и после того как двигатель начнет работать на минимальных оборотах, выжать педаль сцепления и включить заднюю передачу. Если передача включилась легко, значит сцепление исправно, если же слышны скрипы при включении передачи, значит нужно проводить ремонт сцепления;
  2. Во время езды, также можно проверить роботу сцепления. Нужно переключать по очереди передачи и слушать, есть ли при этом посторонние шумы, если есть то нужно ехать на СТО;
  3. Так же при неисправности сцепления, оно начинает буксовать, при наборе скорости, двигатель обороты набирает, а автомобиль как ехал так и едет. В таком случае тоже пора на СТО.

При нерабочем сцеплении, не надо сразу падать в панику и ехать в магазин за новым. Возможно, нужно просто прокачать гидропривод.

Как делать прокачку гидропривода?

При прокачке гидропривода, самое первое, что надо сделать, это надеть шланг на клапан рабочего цилиндра, другой конец опустить в емкость с тормозной жидкостью. После этого нужно нажать на педаль сцепления и удерживать, это надо сделать раз пять. Далее, открыть клапан и выпустить воздух, это надо повторять до тех пор, пока не потечет жидкость.

Замена цилиндров сцепления

В некоторых случаях есть необходимость замены цилиндров сцепления. Главный цилиндр сцепления шевроле нива требует замены, если система не включается, или плохо включается. При замене нужно откачать всю жидкость и отсоединить главный цилиндр сцепления от шланга, а при установке все повторить наоборот.

При замене рабочего цилиндра, нужно ослабить шланг, снимаем кронштейн рабочего цилиндра, снимаем толкатель и после этого, снимаем сам рабочий цилиндр. После установки нового, прокачиваем систему.

Также, иногда проблемы со сцепление возникают из-за неправильной настройки самой педали сцепления. Регулировка сцепления на шевроле нива проводится очень просто: сначала нужно ослабить контргайку на тросике, а потом выставить ход педали сцепления. Свободный ход педали сцепления должен быть 1-3 мм.

Как отрегулировать сцепление Нива Шевроле своими руками — видео

Регулировка свободного хода педали сцепления шевроле нива

Неисправности сцепления Нивы Шевроле делятся на две группы. Одни можно устранить за счет регулировки механизма, вторые же требуют замены деталей или узла в целом.

При этом поломки первой категории имеют свойство быстро переходить во вторую.

Детали несвоевременно отрегулированного сцепления быстро изнашиваются и требуют замены. Неотрегулированный привод сцепления доставляет неудобства при управлении автомобилем – появляются затруднения при переключении скоростей или рывки, когда машина трогается с места.

Это вредит двигателю и коробке переключения передач. Поэтому задача водителя – правильно диагностировать и устранить проблему в работе сцепления.

Когда нужно регулировать?

Регулировать свободный ход педали и прокачивать гидропривод необходимо в следующих случаях:

  • Слишком большой ход педали. В этом случае сцепление выключается не полностью («ведет»). Это приводит к затрудненному переключению передач и интенсивному износу фрикционной накладки на ведомом диске.
  • Малый ход сцепления. В этом случае диск пробуксовывает, особенно при сильной нагрузке на трансмиссию (движение в гору, на повышенной передаче).
  • Рывки, стуки или скрипы при переключении передач или в моменты, когда машина трогается с места.

Важно: эксплуатация авто с неправильно отрегулированным или «завоздушенным» приводом сцепления приводит к ускоренному износу деталей КПП.

Конструкция сцепления Нивы Шевроле совпадает с аналогичным узлом «классики» АвтоВАЗа. Отличие состоит лишь в других размерах рабочего цилиндра и, соответственно, в большем и более легком ходе педали.

Как отрегулировать своими руками?

Для регулировки механизма понадобятся ключи на 10, 13 и 17, пассатижи и карандаш. Операция выполняется на подъемнике или смотровой яме. Порядок работ следующий:

  • Ключом на 10 открутить контргайку ограничителя хода педали.
  • Вращая гайку, выставить свободный ход в пределах 0,4-2 мм.
  • Затянуть контргайку.

Затем нужно спуститься под машину и отрегулировать свободный ход толкателя в пределах 4-5 мм (чтобы открутить гайки, нужны ключи на 13 и 17). Проверка выполняется следующим образом:

  • Пассатижами снять оттяжную пружину вилки сцепления.
  • Упереть карандаш в бобышку нижнего крепления рабочего цилиндра.
  • Сделать две от напротив вилки и на 5 миллиметров правее.
  • Отвести вилку до упора назад, выбрав свободный ход толкателя.
  • Вилка должна остановиться строго напротив метки на карандаше.

Если зазор не соответствует номинальному, нужно отпустить контргайку и, вращая гайку, добиться требуемых параметров.

При правильной регулировке сцепление начинает отключаться при ходе педали 25-35 миллиметров.

Окончательная проверка выполняется при заведенном двигателе. Если все сделано правильно, передачи легко переключаются, а машина начинает трогаться, если педаль отпустить примерно на ⅓ – ⅔ хода.

Как прокачать?

Перед регулировкой механизма нужно прокачать гидропривод. Для этого понадобится тормозная жидкость, емкость и гибкая трубка, внутренний диаметр которой соответствует размеру штуцера и накидной ключ на 10. Процесс прокачки похож на удаление воздуха из тормозной системы. Как и случае с тормозами, работа выполняется с помощником. Один человек должен по команде нажимать и отпускать педаль, а второй – открывать и закрывать штуцер.

Еще несколько способов налаживания работы сцепления

Если так случилось, что это механизм стал давать сбой, то спешить его заменять все же не стоит. Лучше попробовать несколькими способами отрегулироват ь, а если это не получается, то только когда прибегать к крайним мерам. Мы рассмотрели несколько вариантов регулирования, а сейчас разберем еще три способа, которые часто помогают автолюбителям не тратить средства на приобретение нового сцепления. Речь идет о следующем:

  • бывает, что неполадки в системе сцепления связаны с наличием воздуха или неисправного цилиндра. В таком случае необходимо удалить воздух и разобрать агрегат. В процессе разборки станет ясно, в чем причина. При удалении воздуха важно добавлять только чистую жидкость. Если она случайно попала на автомобиль, то ее необходимо немедленно смыть водой, иначе она повредить покрытие;
  • также помочь настроить сцепление может такая операция: сначала надо слить масло из коробки передач, затем снять коробку передач, потом выполнить монтаж оправки 09411-11000 для центрирования диска сцепления и в конце ослабить болты крепления. В результате всего этого удастся снять кожух сцепления. Важно при этом проверить заднее уплотнительное кольцо и ни в коем случае не очищать диск растворителем.

Для неопытных автовладельцев все вышеперечисленные операции могут показаться сложными, хотя они, действительно, не из легких. Именно поэтому при наличии каких-либо проблем с системой сцепления лучше обратитесь к мастерам, которые умеют выполнять подобные работы на высоком уровне.

Замена главного цилиндра

Новый главный цилиндр сцепления под капотом.

Процедура предусматривает:

  1. Откачивание из бачка тормозной жидкости резиновой грушей
  2. Отворачивание трубки, снятие шланга со штуцера и отворачивание гайки крепления и съём цилиндра.
  3. Установка нового выполняется с соблюдением этапов в обратной последовательности.

Не упустите момент фиксации толкателя педали с галтелью (выемкой) на поршне цилиндра, прокачка гидропривода.

о проблемах со сцеплением на Шевроле Нива

Регулировка сцепления на Ниве Шевроле

Знание конструкционного устройства механизма даёт основание приступить к самостоятельной процедуре регулировки.

Процесс считается неизбежным этапом ремонта в случае:

  • Превышение нормативного хода педали, что приводит к неполному выключению сцепления. При этом ведомый диск не полностью прилегает своей плоскостью к маховику. Ситуация сводится к интенсивному износу накладки.
  • Малый свободный ход становится причиной пробуксовки феррадо (накладки), то есть неполному прижатию диска. При этом снижается крутящий момент и падение мощности двигателя.
  • Появление рывка, скрипа, шума, удара в трансмиссии при резком включении сцепления, трогаясь с места.

Эпизоды, так или иначе, свидетельствуют о неправильной регулировке хода педали и выжима подшипника. А это приводит к снижению ресурса ведомого диска.

Алгоритм регулировки

  1. Итак, перед началом процесса регулировки, следует выключить зажигание. Процедура эта исключает случайную вспышку под поршнем и произвольный запуск двигателя.
  2. Переведя рычаг коробки в нейтральную позицию, между толкателем и главным цилиндром устанавливается зазор в рамках 0,1–0,5 мм. Такой маленький зазор достаточен для выключения диска (ведомого) из зацепления. Он регулируется ограничителем хода педали.

    Переведите рычаг в нейтральное положение.

  3. Свободное расстояние его не должно превышать 3 мм. В ином случае следует ослабить контргайку и вращением болта зафиксировать величину хода и затянуть контргайку.
  4. Свободное движение толкателя рабочего цилиндра (4–5 мм) регулируется ослаблением гайки ограничителя.
  5. Последняя деталь, также расположенная на толкателе затягивается контргайкой. Кстати, для определения величины хода толкателя используется специальный шаблон.

Таким образом, перед выжимом сцепления, перемещение педали будет в пределах 25–35 мм. Работы целесообразно производить в смотровой яме или под подъёмником, если таковой есть.

Особенности сцепления на На Нива Шевроле

Механизм сцепления на Нива Шевроле усилен утолщённым, большего диаметра диском со сдвоенными демпферными пружинами.

То есть гидравлическое сцепление компенсирует возможный износ накладок (фрикционных) автоматически.

Корзина сцепления в сборе.

Нажимной и ведомый диск балансируется в сборе и называются корзиной или фасонной чашкой. Узел размещается в литом алюминиевом кожухе с креплением широкой плоскостью к двигателю. Ведущий (нажимной) диск заменяется только при сильном износе плоскости касания или дефекте пружин.

Сцепление Нива Шевроле саморегулируется автоматически рабочим цилиндром. Опуская незначительные детали, узел при необходимости ремонта, заменяется в сборе.

Компоненты

Диск сцепления на Шевроле Нива

Ведомый диск с наклёпанной фрикционной накладкой располагается между маховым колесом и ведущим диском фасонной чашки. Шлицевая втулка диска свободно сидит на первичном валу. Заменяется при износе, если толщина накладки уменьшается до 0,2 мм и заклёпки начинают оставлять царапины на нажимном диске. Причиной могут стать осевое биение, ослабление заклёпок, трещины, поломки, задиры на теле фрикционного материала.

Устанавливается выпирающей частью ступицы в направлении фасонной корзины. При этом центрирующий штифт должен совместиться с отверстием ступицы.

Штампованная фигурная вилка выключения сцепления имеет углубление под шаровую опору, двумя концами упирается в муфту выжимного подшипника. Концы вилки, периодически изнашиваясь, реставрируются путём наваривания на них подушек до толщины заводского образца.

Выжимной подшипник герметичен, не обслуживаемый, без требования промывки. Перемещается по цилиндрической части втулки. Появление шума, свиста в момент выжима свидетельствует о необходимости замены подшипника.

Педальный узел соединён с главным цилиндром, расположенным в моторном отсеке. Вместе с толкателем составляет один узел с поршнем главного узла.

Главный, рабочий гидравлические механизмы сообщаются посредством стальной трубки и армированного рукава. Рабочий цилиндр при помощи кронштейна, крепится на картере сцепления.

С нажатием педали, поршень главного создаёт давление жидкости, которое заставляет толкатель и вилку перемещать муфту выжимного подшипника.

Гидропривод работает на тормозной жидкости марки ДОТ-4, запас которой содержится в бачке и имеет сообщение с главным посредством шланга. Прокачку гидравлики предусматривает штуцер, размещённый на цилиндре (рабочем).

о проблемах со сцеплением на Шевроле Нива

Порядок проведения регулировки

  1. Регулировка сцепления Шевроле Нива производиться при выключенном двигателе. Так же лучше отключить аккумулятор, чтобы не произвести случайный запуск двигателя при вращении вала.
  2. Коробка переключения передач переводиться в нейтральное положение. Главный цилиндр устанавливается с зазором в полмиллиметра от толкателя. Это расстояние достаточно для выключения диска сцепления. В дальнейшем осуществляется регулировка хода педали.
  3. Ход педали не должен превышать 3 миллиметра.

    Регулировку необходимо проводить изменяя положение контргайки и болта. Затянув их можно отрегулировать величину хода.

  4. Толкатель должен свободно перемещаться не более 4-5 миллиметров. Чтобы отрегулировать его, необходимо отрегулировать гайку ограничителя.
  5. Так же, чтобы отрегулировать толкатель можно изменить положение контргайки.

Общий свободный ход педали должен быть в пределах 25-35 миллиметров.

Чтобы более точно отрегулировать педаль сцепления необходимо производить работу на смотровой яме или подъемнике.

Отличие регулировки на Ниве Шевроле

Сцепление в авто Шевроле Нива усиленное. Для этого использовался утолщенный металл большего диаметра. Для прижатия используются демпферные пружины. Гидравлический вариант сцепления позволяет компенсировать износ.

Диски сцепления балансируются в собранном виде. Обычно их называют корзиной. Располагается такой компонент в корпусе из алюминия. Когда производиться регулировка сцепления Шевроле Нива необходимо установить новый ведущий диск. Возможен дефект пружин, прижимающих диск.

Чтобы не производить частую регулировку в устройстве предусмотрено наличие рабочего цилиндра. Этот компонент позволяет производить автоматическое изменение зазора. При его выходе из строя узел меняется в сборе.

Ведомый диск находиться между маховиком и диском фасонной чашки. На него с помощью заклепок нанесена специальная накладка. При износе ее толщина уменьшается и заклепки могут царапать диск и вызывать биение.

При установке ступица должна быть направлена к корзине. При этом важно совместить отверстие ступицы и главный штифт.

Ведомый диск с наклёпанной фрикционной накладкой располагается между маховым колесом и ведущим диском фасонной чашки. Шлицевая втулка диска свободно сидит на первичном валу. Заменяется при износе, если толщина накладки уменьшается до 0,2 мм и заклёпки начинают оставлять царапины на нажимном диске. Причиной могут стать осевое биение, ослабление заклёпок, трещины, поломки, задиры на теле фрикционного материала.

Устанавливается выпирающей частью ступицы в направлении фасонной корзины. При этом центрирующий штифт должен совместиться с отверстием ступицы.

Штампованная фигурная вилка выключения сцепления имеет углубление под шаровую опору, двумя концами упирается в муфту выжимного подшипника. Концы вилки, периодически изнашиваясь, реставрируются путём наваривания на них подушек до толщины заводского образца.

Выжимной подшипник герметичен, не обслуживаемый, без требования промывки. Перемещается по цилиндрической части втулки. Появление шума, свиста в момент выжима свидетельствует о необходимости замены подшипника.

Педальный узел соединён с главным цилиндром, расположенным в моторном отсеке. Вместе с толкателем составляет один узел с поршнем главного узла.

Главный, рабочий гидравлические механизмы сообщаются посредством стальной трубки и армированного рукава. Рабочий цилиндр при помощи кронштейна, крепится на картере сцепления.

С нажатием педали, поршень главного создаёт давление жидкости, которое заставляет толкатель и вилку перемещать муфту выжимного подшипника.

Гидропривод работает на тормозной жидкости марки ДОТ-4, запас которой содержится в бачке и имеет сообщение с главным посредством шланга. Прокачку гидравлики предусматривает штуцер, размещённый на цилиндре (рабочем).

Сцепление шевроле нива регулировка

Регулировка свободного хода педали сцепления шевроле нива

Сцепление в авто Шевроле Нива усиленное. Для этого использовался утолщенный металл большего диаметра. Для прижатия используются демпферные пружины. Гидравлический вариант сцепления позволяет компенсировать износ.

Диски сцепления балансируются в собранном виде. Обычно их называют корзиной. Располагается такой компонент в корпусе из алюминия. Когда производиться регулировка сцепления Шевроле Нива необходимо установить новый ведущий диск. Возможен дефект пружин, прижимающих диск.

Чтобы не производить частую регулировку в устройстве предусмотрено наличие рабочего цилиндра. Этот компонент позволяет производить автоматическое изменение зазора. При его выходе из строя узел меняется в сборе.

Ведомый диск находиться между маховиком и диском фасонной чашки. На него с помощью заклепок нанесена специальная накладка. При износе ее толщина уменьшается и заклепки могут царапать диск и вызывать биение.

При установке ступица должна быть направлена к корзине. При этом важно совместить отверстие ступицы и главный штифт.

Ведомый диск с наклёпанной фрикционной накладкой располагается между маховым колесом и ведущим диском фасонной чашки. Шлицевая втулка диска свободно сидит на первичном валу. Заменяется при износе, если толщина накладки уменьшается до 0,2 мм и заклёпки начинают оставлять царапины на нажимном диске. Причиной могут стать осевое биение, ослабление заклёпок, трещины, поломки, задиры на теле фрикционного материала.

Устанавливается выпирающей частью ступицы в направлении фасонной корзины. При этом центрирующий штифт должен совместиться с отверстием ступицы.

Штампованная фигурная вилка выключения сцепления имеет углубление под шаровую опору, двумя концами упирается в муфту выжимного подшипника. Концы вилки, периодически изнашиваясь, реставрируются путём наваривания на них подушек до толщины заводского образца.

Выжимной подшипник герметичен, не обслуживаемый, без требования промывки. Перемещается по цилиндрической части втулки. Появление шума, свиста в момент выжима свидетельствует о необходимости замены подшипника.

Педальный узел соединён с главным цилиндром, расположенным в моторном отсеке. Вместе с толкателем составляет один узел с поршнем главного узла.

Главный, рабочий гидравлические механизмы сообщаются посредством стальной трубки и армированного рукава. Рабочий цилиндр при помощи кронштейна, крепится на картере сцепления.

С нажатием педали, поршень главного создаёт давление жидкости, которое заставляет толкатель и вилку перемещать муфту выжимного подшипника.

Гидропривод работает на тормозной жидкости марки ДОТ-4, запас которой содержится в бачке и имеет сообщение с главным посредством шланга. Прокачку гидравлики предусматривает штуцер, размещённый на цилиндре (рабочем).

Ссылка на основную публикацию
Похожее